Your cart
No hay más artículos en su carrito
S.6662
En stock (entrega en 2/3 días)
203,62 €
Impuestos incluidos
Serie , AW21/W2380
Serie , AW21/W2380
50 Artículos
| agility_alternative_products | 115433 |
| Dimensiones de la junta universal | 27 x 75 & 24 x 91mm |
| Marca | Sparex |
| Perfil de tubo | De Limon |
| Ref. de tubo | 1bGA |
| Referencia alemana | 21.42.810 |
| Serie alemana | AW21/W2380 |
| Série PTO | AW21/W2380 |
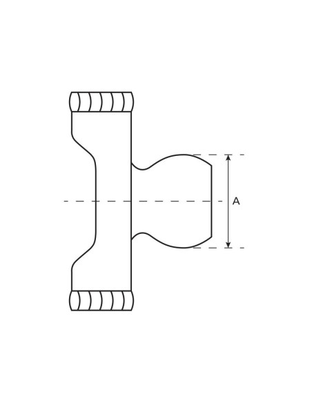
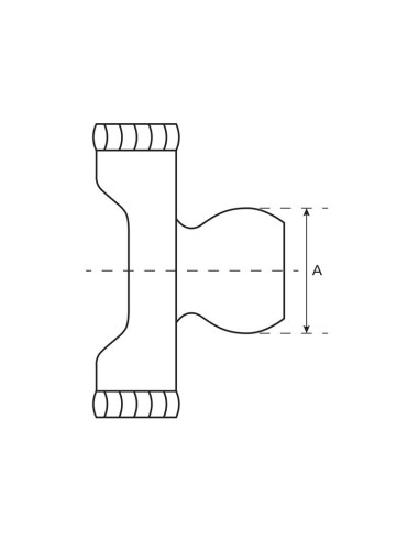
| Tamaño de la bola (mm) | 24 |
| Tamaño del tubo | 49 x 39.5 x 4.8mm |
| Tariff Code | 8483908990 |
| Ø A (mm) | 24 |
| La Magdalena | 610 |
| Walterscheid | 2142810, 21.42.810 |
| S.74000 Accessories 2014 | 495 |