Your cart
No hay más artículos en su carrito
S.6666
En stock (entrega en 2/3 días)
233,75 €
Impuestos incluidos
Serie , AW35/W2480
Serie , AW35/W2480
50 Artículos
| agility_alternative_products | 117848 |
| Dimensiones de la junta universal | 32 x 76 & 27 x 94mm |
| Marca | Sparex |
| Perfil de tubo | De Limon |
| Ref. de tubo | 1bGA |
| Referencia alemana | 35.13.10 |
| Serie alemana | AW35/W2480 |
| Série PTO | AW35/W2480 |
| Tamaño de la bola (mm) | 27 |
| Tamaño del tubo | 49 x 39.5 x 4.8mm |
| Tariff Code | 8483908990 |
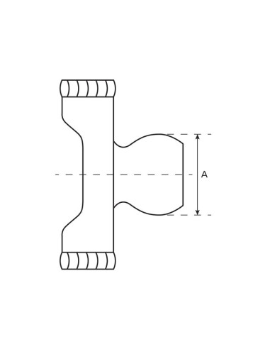
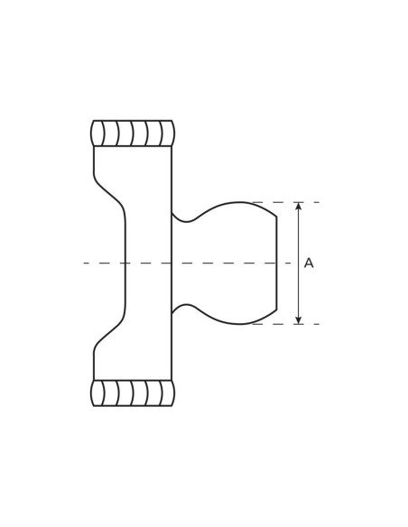
| Ø A (mm) | 27 |
| La Magdalena | 652 |
| Walterscheid | 351310, 35.13.10 |
| S.74000 Accessories 2014 | 495 |